how to site

How To Find Rms Voltage Across A Capacitor

Ljxemf V7wrbm

Eet 1155 Unit 4 Capacitors And Inductors In Ac Circuits
nreeder.com

Post Transformer Rms Voltage For This Circuit Electrical Engineering Stack Exchange
electronics.stackexchange.com

Rms Voltage Of A Sinusoidal Ac Waveform
www.electronics-tutorials.ws

Solved A Series Lrc Circuit Contains A 148 Ohm Resistor Chegg Com
www.chegg.com

A Capacitor Of Capacitance 12 0 Muf Is Joined To An Ac Source Of Frequency 200 Hz The Rms Youtube
www.youtube.com

V pp 22 v rms.

How to find rms voltage across a capacitor. Peak to peak voltage v pp the difference between maximum peak voltage and minimum peak voltage or the sum of the positive and negative magnitude of peaks is known as the peak to peak voltage. By this formula we can get the value of v rms with respect to peak to peak voltage. V rms 035355 v pp.

Peak to peak voltage vp p volts. At this frequency the reactance of the cap is 354 ohms so the rms. Vp p 2 x vp.

I c dvdt. Yet another way is to measure and chart the voltage across the capacitor for a fixed period of time. Find the overall capacitance and the individual rms voltage drops across the following sets of two capacitors in series when connected to a 12v.

Peak voltage vp rms voltage vrms average voltage vavg volts. Equation6 states that to find the rms value of xt we first find its square x 2 and then find the mean of that or 7 and the square root of that mean. Equations and formulas for peak to peak voltage calculator are as follow.

And before you find the current youll need to find the impudence z. And to find the impudence. Capacitors in series example no2.

The resonant angular frequency w is found by setting the reactances equal. If the capacitance is known the current can be found using the well known equation. Average voltage v avg.

By this formula we can get the value v rms of with respect to peak voltage. Vp p 22 x vrms 2828 x vrms. C x is the capacitance of the capacitor in question v s is the supply voltage across the series chain and v cx is the voltage drop across the target capacitor.

To see how the current and voltage of a capacitor are related you need to take the derivative of the capacitance equation qt cvt which is because dqtdt is the current through the capacitor you get the following i v relationship. In the equation above i is the current c is capacitance and dvdt is the derivative with respect to time of the voltage waveform. Wl 1wc giving w sqrt1lc 601rads.

An 84 0 Mh Inductor And A Math 5 80 Mu Mathrm F Math Capacitor Are Connected In Series With A Generator Whose Frequency Is 375 Hz Therms Voltage Across The Capacitor Is 2 20 V Determine The Rms Voltage Across
www.slader.com

An Alternating Current Of 1 5ma And Angular Frequency 300 Rad Sec Flows Through A 10ko
www.toppr.com

Explaining Rms Voltage And Current Iopspark
spark.iop.org

Mastering Physics Solutions Chapter 24 Alternating Current Circuits A Plus Topper
www.aplustopper.com

Capacitance And Rc Circuits
liviqigepecytupe.parisplacestecatherine.com

Ac Circuits
physics.bu.edu

Https Www Kitsw Ac In Departments Ece Ashok Classes Assignments Bel Assignment 3 Solution Sem Ii 06032016 Kar Pdf

Rms Voltage Calculator From Average Value Peak Peak To Peak Value
www.electricaltechnology.org

Chapter 24 Alternating Current Circuits Ppt Video Online Download
slideplayer.com

Solved Example Problems On Alternating Current Ac And Circuit
www.brainkart.com

Ch 15 Problems University Physics Volume 2 Openstax
openstax.org

Eee 3
www.slideshare.net

Mastering Physics Solutions Chapter 24 Alternating Current Circuits A Plus Topper
www.aplustopper.com

Capacitors In Series And Series Capacitor Circuits
www.electronics-tutorials.ws

Transient Analysis With Ltspice Ac And Dc Transient Simulation Current Plot And Series And Parallel Circuits
www.zen22142.zen.co.uk

Ac Capacitance And Capacitive Reactance In Ac Circuit
www.electronics-tutorials.ws

15 5 Power In An Ac Circuit Physics Libretexts
phys.libretexts.org

Https Encrypted Tbn0 Gstatic Com Images Q Tbn 3aand9gctkrh9oq0xaeepmnxon7stsd7qwyilcwq 10ebl M0pu19wremu Usqp Cau
encrypted-tbn0.gstatic.com

Rms Voltage Calculator Electrical Engineering Electronics Tools
www.allaboutcircuits.com

Ac Power Rms And 3 Phase Circuits
www.animations.physics.unsw.edu.au

Solved Example Problems On Alternating Current Ac And Circuit
www.brainkart.com

Reactance Inductive And Capacitive Physics Ii
courses.lumenlearning.com

100 V Ac Is Applied To A Capacitor And Resistance Of 10 Ohm In Series If Rms Voltage Drop Across Capacitor Is 60 V Then Find The Rms Value Of Current
www.topperlearning.com

A Resistor Of 100 W And A Capacitor Of 100 Pi Mu F Are Connected In Series To A 220 V 50 Hz A C Supply Calculate The Current In The Circuit Calculate
www.toppr.com

Https Www4 Uwsp Edu Physastr Kmenning Phys250 Hw31 Pdf

Pplato Flap Phys 5 4 Ac Circuits And Electrical Oscillations
www.met.reading.ac.uk

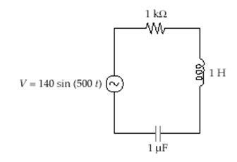
Quiz 4 Determine Rms Voltage Drop Across Inductor And Capacitor Sih V 140 Sin 500 Homeworklib
www.homeworklib.com

Dc Link Voltage And Capacitor Current Rms Value And Peak Value Of The Download Scientific Diagram
www.researchgate.net

Ch 21 Alternating Current
www.slideshare.net

Solved If The Voltage Across A Capacitor 10 Mu F Capacito Chegg Com
www.chegg.com

Rms Voltage Calculator From Average Value Peak Peak To Peak Value
www.electricaltechnology.org

Solved 2 Four Capacitors Are Connected To Rms Voltage Of Chegg Com
www.chegg.com

Mastering Physics Solutions Chapter 24 Alternating Current Circuits A Plus Topper
www.aplustopper.com

Ac Power Rms And 3 Phase Circuits
www.animations.physics.unsw.edu.au

In The Circuit The Rms Value Of Voltage Across The Capacitor C In
doubtnut.com

A Capacitor Is Connected Across An Ac Generator Whose Frequency Is 750 Hz And Whose Peak Output Voltage Is 140 V The Rms Current In The Circuit Is 3 0 A A What
www.slader.com

Rms Voltage Calculator Electrical Engineering Electronics Tools
www.allaboutcircuits.com

Ripple Electrical Wikipedia
en.wikipedia.org

Https Www Kitsw Ac In Departments Ece Ashok Classes Assignments Bel Assignment 3 Solution Sem Ii 06032016 Kar Pdf

Physics 6 3 2 3 Determining Total Voltage And Voltage Drop Across Capacitor In A Series Circuit Youtube
www.youtube.com

Peak Voltage Calculator Inch Calculator
www.inchcalculator.com

Masteringphysics Print View With Answers
studylib.net

Https Www4 Uwsp Edu Physastr Kmenning Phys250 Hw31 Pdf

Calculation Of Reactive Power Of A Capacitor Electrical Concepts
electricalbaba.com

45 The Peak Value Of An Alternating Current In A 1500 W Device Is 5 4 A What Is The Rms Voltage Across Pdf Free Download
docplayer.net

A Generator Provides An Emf With Rms Voltage 70 V And Frequency F 550 Hz Given R 19 Ohms C 4 10 Uf And L 25 Mh A What
study.com

An Ac Generator Producing 10v Rms At 200rad S Is Connected In Series With A 50w Resistor A 400mh Inductor And A 200mu F Capacitor The Rms Voltage Across The Inductor Is
www.toppr.com

Time Constant Of Rc Circuit Matlab Electrical Academia
electricalacademia.com

23 12 Rlc Series Ac Circuits College Physics For Ap Courses Openstax
openstax.org

Solved A Calculate The Rms Voltage Across The Capacitor Chegg Com
www.chegg.com

Unph30 1
www.uq.edu.au

Ac Circuits
physics.bu.edu

An Alternating R M S Of Current 1 5 Amp And Angular Frequency 100 Rad Sec Flows Through
www.toppr.com

Answered A 50 0 W Resistor A 0 100 H Bartleby
www.bartleby.com

Ripple Electrical Wikipedia
en.wikipedia.org

Https Encrypted Tbn0 Gstatic Com Images Q Tbn 3aand9gcq Pcdmvclrjyicreq0clzdla3ymavkou2cfqloyxaur8sd8rdr Usqp Cau
encrypted-tbn0.gstatic.com

Solved In The Flowing Circuit Calculate I Rms Voltage Chegg Com
www.chegg.com

In A Series Rc Circuit 12 V Rms Is Measured Across The Resistor And 15 V Rms Is Measured Across The Capacitor What Is The Rms Source Voltage Socratic
socratic.org

Https Encrypted Tbn0 Gstatic Com Images Q Tbn 3aand9gcs1lyvbzx3ujfhzcqc0nyszgwtyahktkzxabq6sgvnr8vwd2vip Usqp Cau
encrypted-tbn0.gstatic.com

Solved If The Voltage Across A Capacitor 100 Mu F Capacit Chegg Com
www.chegg.com

How Does The Voltage Across An Inductor And A Capacitor Vary In Series Lcr Circuit About Resonance Physics Stack Exchange
physics.stackexchange.com

Mastering Physics Solutions Chapter 24 Alternating Current Circuits A Plus Topper
www.aplustopper.com

Http Sirohiclasses Com Files Documents 5d1be8e0 E010 4d62 9f4a C7ba8442597a Pdf

Reactance Inductive And Capacitive Physics Ii
courses.lumenlearning.com

Http Lehman Edu Faculty Anchordoqui 169 P11 Sol Pdf

Mastering Physics Solutions Chapter 24 Alternating Current Circuits A Plus Topper
www.aplustopper.com

Problemes Fisica 2 Corrent Alterna Angles Ejercicios De Fisica Docsity
www.docsity.com

Ch29 Ssm
www.slideshare.net

What Is The Rms Voltage Across The Inductor Youtube
www.youtube.com

Https Encrypted Tbn0 Gstatic Com Images Q Tbn 3aand9gcrbu Za5y120tiatovhrfwcxtysoukue06f4w Usqp Cau

Solved Determine The Rms Voltage Across The Resistor Vr Chegg Com
www.chegg.com

How To Build The Equation Of Average Voltage Across The Load Of A Full Wave Bridge Rectifier Quora
www.quora.com

A Resistor Of 200 And A Capacitor Of 150 F Are Connected In Series To 220 V 50 Hz Ac Source Calculate The Current In The Circuit And The Rms Voltage A
www.topperlearning.com

Https Encrypted Tbn0 Gstatic Com Images Q Tbn 3aand9gcq Pcdmvclrjyicreq0clzdla3ymavkou2cfqloyxaur8sd8rdr Usqp Cau
encrypted-tbn0.gstatic.com

Reactance Inductive And Capacitive Physics Ii
courses.lumenlearning.com

Example A Square Coil Of 100 Loops Is Quickly Pulled From The Magnetic Field As Shown In 0 10 S Calculate The Change In Flux Fbfinal 0 Fbinitial Ppt Download
slideplayer.com

Capacitor Circuits Capacitor In Series Parallel Ac Circuits
circuitdigest.com

The Voltage Across And The Current Through A Single Circuit Element Connected To An Ac Generator Are Shown In The Graph A At What Frequency Do Charges Oscillate In This Circuit B
study.com

A Diode Is Connected To 220v Rms Ac In Series With A Capacit
doubtnut.com

Eet 1155 Unit 4 Capacitors And Inductors In Ac Circuits
nreeder.com

Https Www Clemson Edu Cecas Departments Ece Document Resource Undergrad Lab Manuals Ece 212 Pdf

Http Www Csun Edu Nkioussi 100b Spring10 Chapter24 Pdf

8 T
studylib.net

Look At The Rc Circuit Below The Voltage Across The Resistor Is 2 0v Rms The Voltage Across The Capacitor Is 2 5v Rms Do Now Ratapu 13 Mahuru Ppt Download
slideplayer.com

Determine The Rms Voltage Drop Across The Resistor In The Circuit A 55 V B 77 V C 9 9 V D 5 5 V E 61 V Study Com
study.com

An Ac Source Generating A Voltage V Is Equal To Vm Sin Omega T Is Connected To A Capacitor Of Physics Alternating Current 13693745 Meritnation Com
www.meritnation.com

Capacitance In Ac Circuit And Capacitive Reactance
www.electronics-tutorials.ws

Peak Voltage Vp Calculator
www.learningaboutelectronics.com

Please Answer As Soon As Possible 8 Find 1 Impedance Z Of Circuit And Ii Maximum Homeworklib
www.homeworklib.com

Mastering Physics Solutions Chapter 24 Alternating Current Circuits A Plus Topper
www.aplustopper.com

Img Src Https D10lpgp6xz60nq Cloudfront Net Physics Images Res
doubtnut.com

Solved Inductor Series And Parallel Circuits
www.scribd.com

Solved Figure 1 The Circuit 1 Determine The Rms Voltage Chegg Com
www.chegg.com

What Is The Rms Voltage Across The Inductor Youtube
www.youtube.com

Can The Voltage Drop Across The Inductor Or Capacitor In A Series Lcr Circuit Be Greater Than The Applied Voltage Of A C Source Quora
www.quora.com

Chapter 31 E Max 15 1 V Pdf Free Download
docplayer.net

Rms Voltage Of A Sinusoidal Ac Waveform
www.electronics-tutorials.ws

Https Encrypted Tbn0 Gstatic Com Images Q Tbn 3aand9gcrwzoib3obeeowpl9j4xjcyjqv2nzoa6m8cyq Usqp Cau